±Ø·¢bifa

ÖÐÎÄ
Espa?ol Deutsch Portugu¨ºs Fran?ais EN ÖÐÎÄ

WOER (002130): 0 0 (0%)

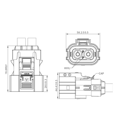
HV600ϵÁдø¸ßѹ»¥ËøÅþÁ¬Æ÷

Ó¦ÓÃÁìÓò£º

ÓÃÓڵ綯³µ¡¢»ìÏý¶¯Á¦Æû³µÊг¡µÄËܽºÍâ¿Ç¸ßѹ»¥ËøÅþÁ¬Æ÷ £¬ÄÜÖª×㶯Á¦µç³Ø¡¢µç»ú¿ØÖÆÆ÷¡¢PDUµÈ¶àÖÖ¸ßѹ´óµçÁ÷µÄÅþÁ¬ÐèÇó ¡£

ÏÂÔØÊÖ²á

¸Ã²úƷΪËܽº¸ßѹÅþÁ¬Æ÷ £¬½á¹¹½ô´Õ £¬Á½¼¶½âËø ¡£¿É½Ó¶àÖÖµçÀ £¬ÓжàÖÖ·ÀÎó²å¼üλ £¬´ø¸ßѹ»¥Ëø £¬ÓзÀÊÖÖ¸´¥µçÉè¼Æ £¬360¡ãÆÁÕÏ ¡£

±¾²úÆ·ÊÇÒ»¿îÓÃÓڵ綯³µ¡¢»ìÏý¶¯Á¦Æû³µÊг¡µÄËܽºÍâ¿Ç¸ßѹ»¥ËøÅþÁ¬Æ÷ £¬ÄÜÖª×㶯Á¦µç³Ø¡¢µç»ú¿ØÖÆÆ÷¡¢PDUµÈ¶àÖÖ¸ßѹ´óµçÁ÷µÄÅþÁ¬ÐèÇó ¡£




1¡¢µçÆøÌØÕ÷

¡ö ¶î¶¨µçѹ£º1000V DC

¡ö ¶î¶¨µçÁ÷(ÊÂÇéÇéÐÎζÈ30¡æ)£º 

                      60A (ÊÊÅäµçÀÂ10mm?)

                      80A(ÊÊÅäµçÀÂ16mm?)        

                     120A(ÊÊÅäµçÀÂ25mm?)

        150A(ÊÊÅäµçÀÂ35mm?)

¡ö ¾øÔµµç×裺¡Ý2000M¦¸£¨³£Ì¬£©

¡ö ÄÍ  Ñ¹£º3000V AC

2¡¢ÆäËû²ÎÊý

¡ö·À»¤Æ·¼¶£ºIP67

¡öÇéÐÎζȣº-40¡æ¡«+125¡æ

¡öÅþÁ¬Æ÷оÊý£ºÁ½Ð¾

¡öÅäÏß¹æ¸ñ£º10¡«35mm?

¡öµç´ÅÆÁÕÏ£º360¡ãÆÁÕÏ

¡ö»úеÊÙÃü£º¡Ý200´Î

3¡¢ÖÊÁϼ°Íâò´¦Öóͷ£

¡ö¿ÇÌåÖÊÁÏ£ºPA66

¡ö×èȼƷ¼¶£ºUL94 V-0

¡ö²åÕë¼°²å¿×ÖÊÁÏ£ºÍ­ºÏ½ð

¡öÍâò´¦Öóͷ££º¶ÆÒø

¡öÃÜ·âÌ壺¹èÏð½º


HV600Á½Ð¾

ÐòºÅ

¶©»õÐͺŲúÆ·ÐÎòÊÊÅäÏßÀ¹æ¸ñ
1

HV60002*HC10

²å×ù/½Ó10mm?·ÇÆÁÕÏÏß/´ø¸ßѹ»¥Ëø

10mm?·ÇÆÁÕÏÏß

2

HV60002*NC10

²å×ù/½Ó10mm?·ÇÆÁÕÏÏß/²»´ø¸ßѹ»¥Ëø

10mm?·ÇÆÁÕÏÏß

3

HV60002*HC16

²å×ù/½Ó16mm?·ÇÆÁÕÏÏß/´ø¸ßѹ»¥Ëø

16mm?·ÇÆÁÕÏÏß

4

HV60002*NC16

²å×ù/½Ó16mm?·ÇÆÁÕÏÏß/²»´ø¸ßѹ»¥Ëø

16mm?·ÇÆÁÕÏÏß

5

HV60002*HC25

²å×ù/½Ó25mm?·ÇÆÁÕÏÏß/´ø¸ßѹ»¥Ëø

25mm?·ÇÆÁÕÏÏß

6

HV60002*NC25

²å×ù/½Ó25mm?·ÇÆÁÕÏÏß/²»´ø¸ßѹ»¥Ëø

25mm?·ÇÆÁÕÏÏß

7

HV60002*HH

²å×ù/½ÓÍ­ÅÅ/´ø¸ßѹ»¥Ëø

½ÓÍ­ÅÅ

8

HV60002*NH

²å×ù/½ÓÍ­ÅÅ/²»´ø¸ßѹ»¥Ëø

½ÓÍ­ÅÅ

9

HV60062*HC10

²åÍ·/½Ó10mm?ÆÁÕÏÏß/´ø¸ßѹ»¥Ëø

10mm?ÆÁÕÏÏß

10

HV60062*NC10

²åÍ·/½Ó10mm?ÆÁÕÏÏß/²»´ø¸ßѹ»¥Ëø

10mm?ÆÁÕÏÏß

11

HV60062*HC16

²åÍ·/½Ó16mm?ÆÁÕÏÏß/´ø¸ßѹ»¥Ëø

16mm?ÆÁÕÏÏß

12

HV60062*NC16

²åÍ·/½Ó16mm?ÆÁÕÏÏß/²»´ø¸ßѹ»¥Ëø

16mm?ÆÁÕÏÏß

13

HV60062*HC25

²åÍ·/½Ó25mm?ÆÁÕÏÏß/´ø¸ßѹ»¥Ëø

25mm?ÆÁÕÏÏß

14

HV60062*NC25

²åÍ·/½Ó25mm?ÆÁÕÏÏß/²»´ø¸ßѹ»¥Ëø

25mm?ÆÁÕÏÏß

15

HV60062*HC35

²åÍ·/½Ó35mm?ÆÁÕÏÏß/´ø¸ßѹ»¥Ëø

35mm?ÆÁÕÏÏß

16HV60062*NC35²åÍ·/½Ó35mm?ÆÁÕÏÏß/²»´ø¸ßѹ»¥Ëø35mm?ÆÁÕÏÏß
Ñ¡ÐÍ˵Ã÷

Ñ¡ÐÍϵÁР HV600
0  0-·¨À¼ÅÌ×°Öòå×ù(Åä²åÕë)      6-ֱͷ²åÍ·(Åä²å¿×)
2  оÊý £º2-Á½Ð¾
A  ·ÀÎó²å¼üλ£ºA-A¼üλ    B-B¼üλ    D-D¼üλ
H  ¸ßѹ»¥Ëø£ºH-´ø¸ßѹ»¥Ëø    N-²»´ø¸ßѹ»¥Ëø
C25

  H-Í­ÅÅ±âÆ½¿×Ëø½ô¶Ë×Ó£¨½öÏÞ²å×ù£©

  C*-ѹ½ÓÏßÀ¶Ë×Ó             *´ú±íÊÊÅäÏßÀ¹æ¸ñ            

  C10-ÊÊÅä10ƽ·½ÏßÀ        C16-ÊÊÅä16ƽ·½ÏßÀ        

  C25-ÊÊÅä25ƽ·½ÏßÀ        C35-ÊÊÅä35ƽ·½ÏßÀÂ

N

  ½öÏÞ²åÍ·   ¿Õȱ£ºÆÁÕÏÏß      N£º·ÇÆÁÕÏÏß 

  ½öÏÞ²å×ù   ¿Õȱ£º´ø¶¨Î»Öù   N£ºÎÞ¶¨Î»Öù


·µ»Ø